两部门开展城市更新示范工作,中央财政补助资金重点支持地下管网更新改造等
2024/5/7 12:15:08
浏览数:308
近日,财政部、住房城乡建设部发布关于开展城市更新示范工作的通知。通知提出,示范城市通过多种渠道筹集资金,系统化推进城市更新行动,统筹推进城市地下管网和综合管廊建设、污水管网“厂网一体”建设改造、市政基础设施补短板、老旧片区更新改造等工作,优化城市空间布局,完善城市功能。
财政部会同住房城乡建设部通过竞争性选拔,确定部分基础条件好、积极性高、特色突出的城市开展典型示范,扎实有序推进城市更新行动。中央财政对示范城市给予定额补助。示范城市制定城市更新工作方案,统筹使用中央和地方资金,完善法规制度、规划标准、投融资机制及相关配套政策,结合开展城市地下管网更新改造、污水管网“厂网一体”建设改造、市政基础设施补短板、老旧片区更新改造等重点工作,不断推进城市更新工作。力争通过三年示范,城市地下管网集约敷设水平和安全性稳步提高,生活污水收集处理效能显著提升,市政基础设施短板弱项得到有效改善,持续推动老旧片区宜居环境建设,满足人民高品质生活需要,并形成可复制、可推广的模式和经验。城市更新示范工作支持对象是地级及以上城市。2024年,每省(区、市)可推荐1个城市参评,首批评选15个示范城市,重点向超大特大城市和长江经济带沿线大城市倾斜,中央财政补助资金重点支持城市地下管网更新改造和污水管网“厂网一体”建设改造等。1.建立推动城市更新工作的组织领导和协调工作机制,并制定示范城市建设工作方案;2.城市财力应满足城市更新投入需要,地方政府债务风险低,不得因开展城市更新形成新的政府隐性债务;3.近年来未在住房和城乡建设领域出现重大生产安全事故或重大负面舆情事件。示范城市选拔采取竞争性评审的方式选拔确定,重点向基础工作扎实、条件俱备、积极性高的城市倾斜。(一)省级推荐。省级财政、住房城乡建设部门对照示范工作要求,择优推荐本地区符合条件的城市参与评审,组织编制实施方案,并提供必要的支撑材料。(二)书面评审。财政部、住房城乡建设部组织专家对城市申报方案进行审查、打分。按照120%差额比例确定进入现场答辩的城市名单。(三)现场答辩。进入现场答辩的各城市派员参加公开答辩,现场打分、现场公布排名,前15名为入围城市。(四)集中公示。入围城市经过公示,无异议的确定为示范城市。存在异议并经查实的,取消示范资格。(一)中央财政资金补助标准。中央财政按区域对示范城市给予定额补助。其中:东部地区每个城市补助总额不超过8亿元,中部地区每个城市补助总额不超过10亿元,西部地区每个城市补助总额不超过12亿元,直辖市每个城市补助总额不超过12亿元。资金根据工作推进情况分年拨付到位。(二)资金支持方向。示范城市通过多种渠道筹集资金,系统化推进城市更新行动,统筹推进城市地下管网和综合管廊建设、污水管网“厂网一体”建设改造、市政基础设施补短板、老旧片区更新改造等工作,优化城市空间布局,完善城市功能。具体包括:1.城市地下管网更新改造。对城市燃气、热力、给排水、电力等城市地下管网实施更新改造,因地制宜推进城市地下综合管廊建设,提升城市地下管网整体水平。2.城市污水管网全覆盖样板区建设。对污水处理管网按照“厂网一体”的模式进行更新改造,提升污水收集处理效能。3.市政基础设施补短板。对生活垃圾分类、综合杆箱、物流设施等市政基础设施进行提升改造,补齐城市基础设施短板弱项;提升城市绿地服务功能,推进口袋公园建设和绿地开放共享。4.老旧片区更新改造。对历史文化街区、既有公共建筑、公共空间等进行节能降碳等提升改造,持续改善建筑功能和提升生活环境品质。实施城市功能完善工程,推进适老化适儿化改造,加快公共场所无障碍环境建设改造。示范城市要按照因地制宜、因城施策的原则,突出本次城市更新的示范重点内容,有针对性的解决制约本城市发展的问题,避免面面俱到、“撒胡椒面”。同时,应与现有政策做好统筹衔接,具体项目上不得重复使用2023年增发国债资金、中央预算内投资、车购税资金、超长期特别国债等其他渠道中央财政资金,防止交叉重复。省级住房城乡建设、财政部门应建立对示范城市的日常跟踪及监督检查机制,及时将示范城市的任务落实、存在问题及经验做法等报住房城乡建设部、财政部(原则上每个典型示范城市每年不少于1期)。其中,住房城乡建设部重点检查任务完成情况,财政部门重点检查财政资金使用合规情况。住房城乡建设部、财政部将在汇总地方上报情况的基础上,对示范城市开展抽查。财政部、住房城乡建设部按照预算管理有关要求开展绩效评价。财政部主要负责绩效评价方案制定、指标设置等,住房城乡建设部主要负责方案组织实施、任务完成情况核实等。绩效评价结果将与中央财政资金拨付挂钩。对绩效评价结果较差的示范城市,将视情况缓拨、扣减补助资金。(一)参与申报的各省级财政、住房城乡建设部门应于5月24日前联合行文报送财政部、住房城乡建设部,并组织申报城市通过财政部、住房城乡建设部邮箱报送电子版(含佐证材料),或通过光盘等移动存储方式邮寄,申报材料不得包含任何涉密文件、涉密内容。(二)为落实过紧日子要求,各申报城市应紧扣要求编制工作方案,避免委托中介机构“编本子、讲故事”,印制豪华材料等情况,切实减少申报工作相关支出。申报材料除正式文件外,实施方案及相关支撑材料一律报送电子版。(三)请各地严格按照通知明确的数量和要求推荐城市、报送材料等,并对报送内容真实性负责。对不按要求报送或申报内容明显不实的城市,将取消当年申报资格。
联系方式:
财政部经济建设司:
电话:010—61965043
邮箱:shikelu@mof.gov.cn
住房城乡建设部城市建设司:
电话:010—58933160
邮箱:chengshui@mohurd.gov.cn







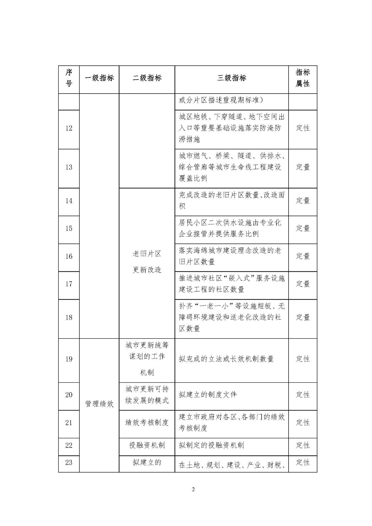
附件2-城市更新示范城市绩效指标体系



来源:中国建设报