混凝土新规,即日起施行!此前3份文件同时废止!江苏发布!
2025/12/19 19:08:48 浏览数:163
近日,江苏省住建厅发布《关于加强房屋市政工程混凝土质量监管工作的通知》,自印发之日起实施。
苏建质安〔2021〕97号、苏建函质安〔2021〕377号等文件同时废止。

苏建函质安〔2025〕366号
各设区市住房和城乡建设局(建委):
为加强房屋市政工程(以下简称工程)混凝土质量监管工作,筑牢工程品质提升基础,现通知如下:
一、高度重视工程混凝土质量工作
混凝土质量是工程质量最基本的要素之一,直接影响工程结构安全和整体质量水平,关系人民群众生命财产安全。各级住房城乡建设主管部门要高度重视,将工程混凝土质量监管工作作为一项长期性、基础性的重点工作来抓,积极采取有效措施,加强对向工程供应预拌混凝土的企业,以及工程建设、设计、施工、监理单位和质量检测单位的监管,依法从严查处混凝土预拌、进场验收、现场浇筑以及检测过程中的违法违规行为,切实强化工程混凝土质量的全链条监管。
二、切实强化混凝土预拌质量监管
各地住房城乡建设主管部门应当加强“预拌混凝土专业承包资质”管理,严格预拌混凝土专业承包资质的审批工作,依法依规加强事中事后监管,督促企业在资质有效期内保持资产、主要人员、技术装备等满足资质标准要求,严肃查处企业无资质运行,以及转让、出借资质证书或者以其他方式允许他人以本企业名义开展业务等行为。
各地住房城乡建设主管部门应当完善建筑材料登记制度,对预拌混凝土作为影响工程主体结构质量安全和使用功能主要建筑材料的,督促生产企业按照规定办理登记手续。
各地住房城乡建设主管部门应当督促向工程供应预拌混凝土的企业健全生产管理制度和质量保证体系,健全原材料进场检验及检验档案管理制度,规范原材料采购、使用和预拌混凝土出厂台账,实现预拌混凝土质量可追溯;督促企业严格按照技术标准生产和运输预拌混凝土,加强出厂检验,出厂交货时按规定提供完整的质量证明文件。
各地住房城乡建设主管部门应当重点加强对建筑用砂的监管,严防违法违规海砂、工业固体废弃物等及其加工形成的不合格砂料用于工程,督促向工程供应预拌混凝土的企业严格落实原料用砂质量管控措施,采购砂料时查验砂的来源证明和检测合格证明,查验氯离子含量,出厂时向采购方提供预拌混凝土及其原料用砂的氯离子含量检测报告。指导和督促住宅工程建设单位将混凝土用砂的品种和来源作为质量信息公示内容。
三、持续夯实施工现场混凝土质量监管
各地住房城乡建设主管部门应当进一步压实建设单位工程质量首要责任,压实设计、施工、监理单位的质量主体责任以及质量检测单位的质量责任;督促施工单位严控混凝土施工质量,严格执行进场验收、见证取样检验制度,严格按照施工图设计文件和相关技术标准进行浇筑和养护,规范设置标准试件养护室或养护箱并进行标准试件养护;督促监理单位认真履行监理职责,查验预拌混凝土企业资质,做好预拌混凝土进场验收、浇筑的旁站监理和混凝土分项工程验收,对混凝土试件现场取样、制样、养护和送检过程进行见证;督促工程质量检测单位严格按照相关技术标准检验,检测不合格的要及时反馈委托单位,及时报送当地工程质量监督机构。
四、积极丰富工程混凝土质量监管形式
各地住房城乡建设主管部门应当不断创新和优化监管方式,着力构建多层次、全过程的监管体系。鼓励结合地方实际,稳步推进数字化监管,探索建立从混凝土预拌到现场施工的全链条监管系统。鼓励根据日常监管掌握情况,实施分类分级等差别化监管措施,提高监管效能。建立健全不合格建筑用砂应急响应机制,制定应急预案,及时研判并处置违法违规海砂、工业固体废弃物等及其加工形成的不合格砂料用于工程建设等突发问题。进一步强化宣传引导,畅通社会监督渠道,鼓励举报和反映使用不合格砂料、使用不合格预拌混凝土、浇筑施工和养护不符合要求、出具虚假检测报告等问题;指导各地混凝土协会完善行业约束与惩戒机制,构建政府监管、行业自律、社会监督的共治格局。
五、定期开展工程混凝土质量专项抽查
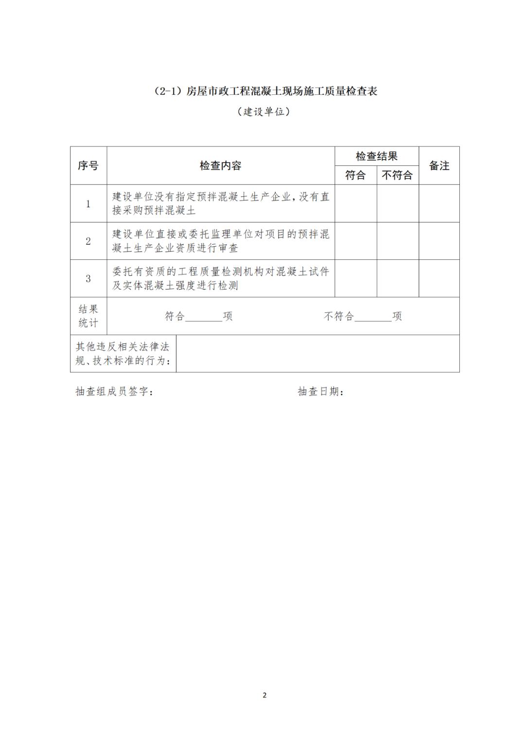
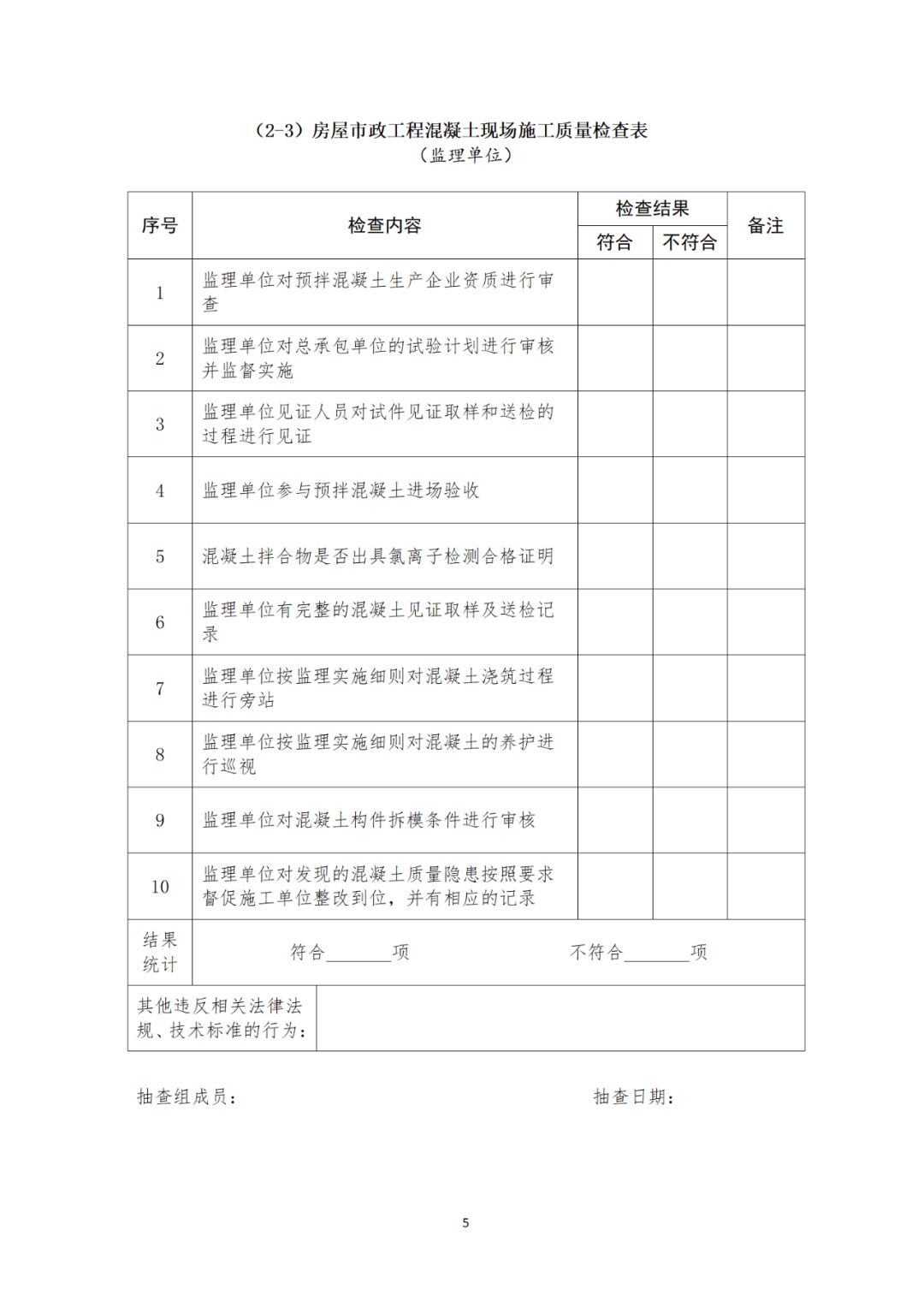
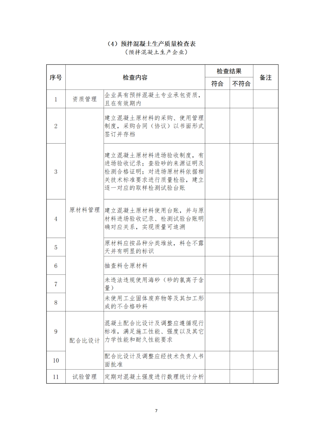
各地住房城乡建设主管部门应当每年开展工程混凝土质量专项抽查(以下简称专项抽查),针对辖区内在建工程各参建单位(含向该工程供应预拌混凝土的企业)及其从业人员,抽查其执行混凝土质量相关法律法规和技术标准情况、建筑用砂情况和工程实体混凝土质量情况,抽查用表详见附件。各地专项抽查要严格遵守国务院和省政府关于规范涉企行政检查的规定。各设区市应将每年辖区内工程混凝土质量监管情况及时告知我厅。
本文件自印发之日起实施,《关于进一步加强房屋建筑和市政基础设施工程混凝土质量监管工作的通知》(苏建质安〔2021〕97号)、《关于开展房屋建筑和市政基础设施工程混凝土质量专项抽查工作的通知》(苏建函质安〔2021〕377号)、《关于印发房屋市政工程混凝土质量监管情况季度报表的通知》同时废止。
江苏省住房和城乡建设厅
2025年12月4日








来源:建设监理